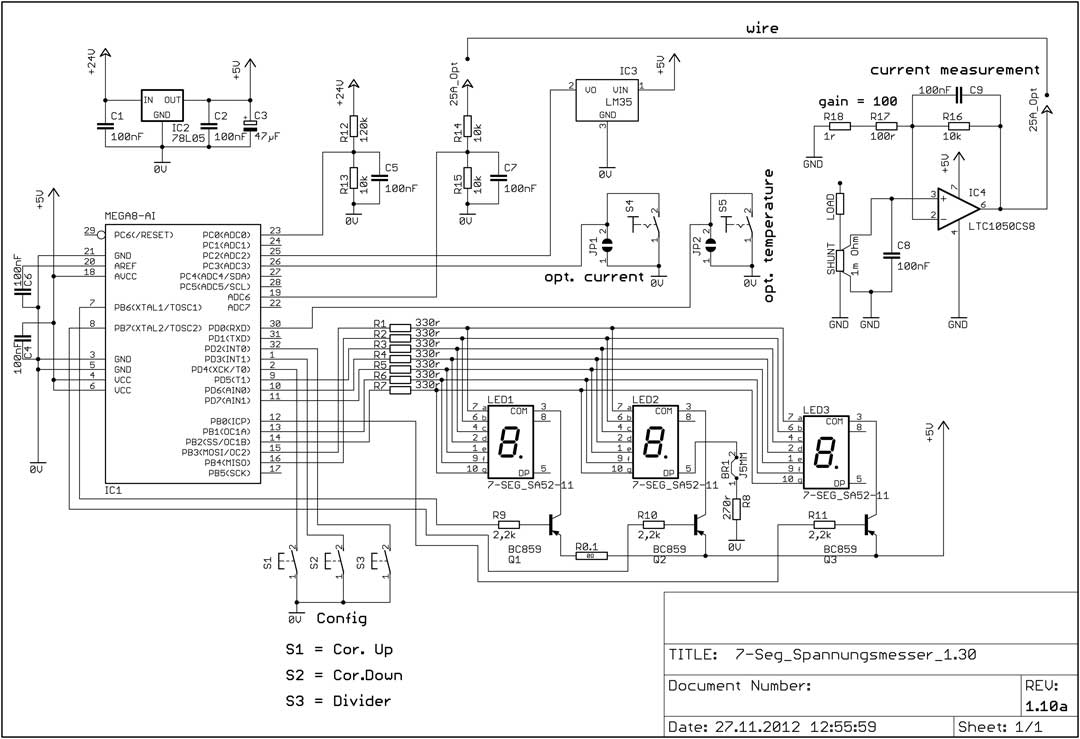
Dieses Messmodul kann Spannung, Strom und Temperatur messen und mit 3 Stück 7-Segment Anzeigen darstellen. Für die optionale Strommessung muss noch eine  kleine OP-Schaltung bestückt werden. 
Das Modul besteht aus wenigen und kostengünstigen Teilen wie ATMega8, 7-Segment-Anzeigen, 7805-Spannungsregler sowie ein paar Widerstände, Kondensatoren und Transistoren.
Die Funktion: 
Das Modul hat insgesamt 3 Eingänge, 2 sind für die Spannungs- bzw. Strommessung zuständig und der 3. für die Temperaturmessung. Der uC arbeitet mit einer internen Referenzspannung von 2.56V und benötigt daher einen Spannungsteiler für Spannung über diesen Wert.  Der uC muss das Verhältnis des Teilers kennen und wird mit dem Taster S3 von 1-25 eingestellt. Für einen Spannungsmessbereich von z.B. 28V wird somit ein Teiler von 1:11 benötigt und der Faktor 11 eingestellt. In der Anzeige erscheint dann z.B. F1.1  eine Sekunde lang für den Faktor 11. Der Widerstand R12 hat somit den Wert 100kOhm, für z.B. 33V werden dann 120kOhm benötigt, was einem Teilungsverhältnis von 1:13 entspricht (default). Gleiches gilt auch für den 2. Eingang, der entweder eine Spannung messen kann, oder über die optionale OP-Schaltung und Shunt auch einen Strom. 
Mit der OP-Schaltung ist ein Strommessbereich bis 25A ohne Spannungsteiler möglich, für größere Ströme dann entsprechend den Vorteiler bestücken.
Mit dem Schalter JP1 (Jumper) wird die Spannung vom 1. Kanal angezeigt, wenn dieser offen ist und wenn geschlossen, den 2. Eingang für eine weitere Spannung bzw. einen Strom.
Der Schalter JP2 ist für die Temperatur zuständig und zeigt diese unabhängig vom Schaltzustand von JP1 an, sofern JP2 geschlossen wird.
Die 7-Segment-Anzeigen können zusätzlich in 4 Stufen gedimmt werden. Um nicht noch einen weiteren Taster einsetzen zu müssen, übernimmt der Schalter JP2 ebenfalls diese Funktion.
Das normale betätigen und gedrückt halten ruft die normale Temperaturmessung auf und wird ständig angezeigt. Kurzes antippen dagegen dimmt die Helligkeit in 4 Stufen runter und beginnt wieder mit maximaler Helligkeit, die durch die Vorwiderstände gegeben ist. Dieser Wert wird im int. EEPROM abgespeichert und beim Einschalten abgerufen. Die Stromaufnahme sinkt dann von ca. 60mA auf ca. 21mA in der größten Dimmstufe.
Der dritte Messwert ist die Spannung von einem LM35 Temperaturgeber, der je 10mV pro 1°C am Ausgang bereitstellt.  Der Messeingang ist mit T bzw. Tmp. auf dem Layout beschriftet.
Der AD-Wandler und der LM35 sind ausreichend genau, sodass kein Abgleich erforderlich ist.
 
Die Taster S1 und S2 sind für den Feinabgleich zuständig, falls die Spannungsteiler nicht ganz
dem theoretischen Verhältnis der gewählten Widerstände entsprechen oder die Toleranz zu groß sein sollte. Wurde der richtige Teiler-Faktor gewählt, sollte die Spannung schon recht genau angezeigt werden und kann mit S1 nach oben bzw. mit S2 nach unten korrigiert werden.
Der Abgleich kann bei unterschiedlichen Messwerten des gesamten Einsatzbereiches statt- finden, um die maximale Genauigkeit zu erhalten.
 
Alle Config-Einstellungen werden in dem int. EEPROM abgespeichert und können auch später geändert werden. Sollte ein zurücksetzen der default Werte erforderlich sein, braucht man das Modul nur einzuschalten und schaltet S1 und S2 dabei vorher auf Masse.
Der Controller misst die Spannungen über seinen AD-Wandler und wandelt diesen Wert in 3 einzelne Zahlen um und wird per Multiplexen einzeln an den Anzeigen dargestellt.
Da alle Segmente parallel geschaltet sind, werden die gemeinsamen Anoden über die Transistoren einzeln eingeschaltet.  Der Dezimalpunkt ist fest mit einem Vorwiderstand verbunden, sodass die Werte nur Zweistellig vor dem Komma angezeigt werden.
Die Software misst alle 100ms und bildet mit 5 Messungen einen Mittelwert, um das Rauschen des AD-Wandlers zu minimieren. Die 100nF Kondensatoren sollen ebenfalls dazu beitragen.
 
 Die Hardware und Aufbau:  
Das Modul besteht aus üblichen SMD Teilen und bis auf die 7-Segment-Anzeigen und einer Drahtbrücke  wird alles auf der Lötseite bestückt. Der SMD 5V Festspannungsregler liefert max. 100mA, was bei einer mittleren Stromaufnahme von 60mA noch etwas Reserven bereit hält.
Weil die Verlustleistung aber begrenzt ist, sollte die Versorgungsspannung nicht größer 17V sein.
Wer eine höhere Spannung messen und das Modul mit selbiger betreiben möchte, muss einen externen 1A 7805 Regler im TO220 Gehäuse einsetzen. 
Der 47µF/10V Tantal-Elko C3 hat den Plus-Pol an der markierten Stelle (Strich) und ist nicht Minus wie bei normalen Becherelkos. Es können aber auch andere Elkos bestückt werden, z.B. 22µF/16V.
Der Spannungsteiler für Kanal 1 mit R12 und R13 ist nicht direkt mit dem Eingangs-Lötpad am Regler verbunden. Dies ermöglicht die Messung von 2 getrennten Spannungen, unanhängig von der Versorgungsspannung, andernfalls muss die Lötbrücke hergestellt werden, siehe auch Pfeilmarkierung am Lötpad der Einspeisung Ub.
Für die Strommessung am Kanal 2 ist eine kleine OP-Schaltung notwendig, die von einem 1mOhm Shunt die Spannung mit dem Faktor 100 verstärkt und dann zur uC-Schaltung geführt wird (Drahtbrücke). Bis 25A ist kein Spannungsteiler notwendig, für 50A beispielhaft dann 1:2. Auch dies muss dem uC mitgeteilt werden, wie schon oben beschrieben. Der gewählte OP LTC1050 ist zwar nicht ganz preiswert, aber der geringe Offset und Temperaturdrift sprechen für sich. Außerdem unterstützt er single-supply, sodass er mit +5V gegen Masse auskommt und der Offset-Trimmer entfällt wegen den guten Eigenschaften.
Wer es preiswerter mit der Strommessung haben möchte, kann R17 mit 2x 2,20k parallel (übereinander) sowie R18 mit 10Ohm bestücken und erhält somit einen Verstärkungsfaktor von 10. Als Shunt können dann 8x 5W Drahtwiderstände mit dem Wert 0,082Ohm parallel verschaltet werden oder 10x 2W 0,1Ohm.  Es entsteht aber eine Verlustleistung von 6,25W bei 25A, statt 0,625W bei einem 1mOhm Shunt. Ansonsten wird ein 1mOhm Shunt benötigt und mit dem Verstärkungsfaktor 100 ist ein Messbereich von 25A ohne Spannungsteiler möglich.
 
 Technische Daten:
 | Kanal 1: | 0…2,56V bis max. 0…64V Endwert | 
 | Kanal 2: | 0…2,56V bis max. 0…64V Endwert oder Strom über OP- Hilfsschaltung und Shunt
 | 
 | Kanal 3: | Temperatur von 0-99°C, Anzeige "HH" über 100°C | 
 |  |  | 
 | Betriebsspannung: | 6V...17V mit 78L05 Regler | 
 | Stromaufnahme: | ca. 20mA…60mA je nach Anzeige- und Dimmwert | 
 | Messintervall: | 500ms | 
  
Der weitere Aufbau sollte selbsterklärend sein, sonst einfach fragen.
  
Platinen und gebrannte Controller gibt es in kleinen Mengen auf Anfrage, sowie die Firmware zum selber brennen per eMail.
Hier wieder ein paar Bilder (anklicken):
  
 
 |  | Foto der aufgebauten Schaltung 
 Platinenmaße 65mmx36mm
 | 
 
 |  | Foto der bestückten Lötseite mit SMD Teilen | 
 |  | Schaltplan des Messmoduls | 
 |  | Bestückungsplan | 
 |  | Einbau in einem Voltcraft (RFT) 13,8V/20A Netzteil, analoges Ampere-Meter wurde ausgebaut
 | 
 
  
 - Der komplette Aufbau zum Download => 
7-segment-messmodul.pdf (2,0MB)