Bleiakkus werden sehr oft für portabel- oder Fieldday Einsätze verwendet.
Idealerweise sogar mit StepUp Reglern, die die vollen 13,8V erzeugen können,
die so manche KW-Transceiver auch benötigen. Um sich stets im Klaren zu sein,
wie voll der Akku noch ist, reicht es bei Bleiakkus aus, die Spannung zu überwachen.
Diese kleine Schaltung überwacht die Spannung mit 4 LEDs und benötigt mit den gewählten
Vorwiderständen nur ca. 20mA.
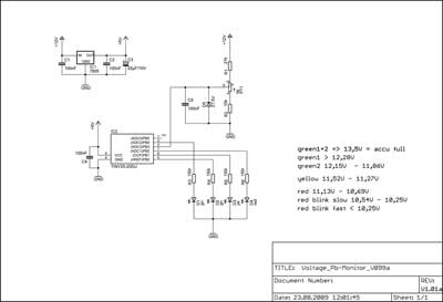
Die Schaltung besteht aus einem Spannungsregler, Spannungsteiler mit Schutzdiode und dem
ATTiny25 von Atmel, der die Spannung mit seinem AD-Wandler ermittelt und an 4 Pins
mit den LEDS zur Ausgabe bringt. Mit dem Poti wird noch der Spannungsteiler abgeglichen.
Hierzu muss mit einem Netzteil 10,25V eingestellt  und das Poti so abgeglichen werden,
dass die rote LED zwischen schnell und langsam blinkt. Somit stimmen auch alle weiteren Schwellwerte,
die die folgende Übersicht erklärt: 
 | => 13,5V | = beide grüne LEDs leuchten, Akku voll geladen | 
 | 12,28V - 13,18V | = grüne LED1 leuchtet, Akku Ladung sehr gut | 
 | 12,15V - 11,86V | = grüne LED2 leuchtet, Akku Ladung noch ok, fortgeschrittene Endladung | 
 | 11,52V - 11,27V | = gelbe LED leuchtet, Akku Ladung im unterem drittel angelangt | 
 | 11,13V - 10,69V | = rote LED leuchtet, Akku Ladung bald am Ende | 
 | 10,54V - 10,25V | = rote LED blinkt langsam, Akku Endladen, Funkbetrieb einstellen | 
 | < 10,25V | = rote und gelbe LED blinkten schnell, Akku bald Tiefentladen, defekt möglich! | 
Die Spannungswerte beziehen sich immer unter Last, im Leerlauf steigen diese wieder an.
Von daher ist auch eine Hysterese von ca. 200mV eingebaut, um das springen der LEDs zu minimieren.
Die Messung wird zusätzlich nur alle 200ms ausgeführt. 
Der Aufbau sollte selbsterklärend sein, zu beachten ist die Polung der LEDs.
Die angephaste Kante des 78L05 SMD Reglers entspricht dem Doppelstrich im Bestückungsplan.
Der Controller kann je Pin ca. 40mA LED-Strom liefern, durch low-current LEDs kann aber auch Strom gespart werden (2mA je LED mit 1,5k Vorwiderständen).
Der Controller selbst benötigt ca. 4mA, was mit 2 low-current LEDs eine Gesamtstromaufnahme von 8mA bedeuten würde und somit auch als Daueranzeige genutzt werden kann.
Gebrannte Controller oder Platinen in kleiner Stückzahl können zum SKP bezogen werden,
die Firmware zum selber brennen  sende ich aber auch gerne zu (eMail). 
 Preiswerte Komplettbausätze bietet zusätzlich die Firma 
HED TAFELMEYER GERMANY
 an und sind dort im e-Shop zu bestellen. 
(nicht bei mir)
Hier wieder ein paar Bilder (anklicken):
  
 
 |  | Foto der aufgebauten Schaltung 
 Platinenmaße nur 31mmx21mm
 | 
 
 |  | Schaltplan des Spannungsmonitors | 
 |  | Bestückungsplan | 
 |  | SMD-Version mit 0805 Teilen, Maße 21x19mm | 
 |  | SMD-Version mit 0603 Teilen, der uC hat keine Pins mehr, Maße 16x16mm | 
 
  
 - Der komplette Aufbau zum Download => 
accu-voltage-monitor.pdf (1023kB)