Da meine FM-Unit nun erfolgreich aufgebaut ist, kam noch die Idee eines automatischen CQ-Rufers
 (CQ-Caller) zu bauen. 
 Bedingung war aber, dass die Schaltung in den Transceiver eingebaut werden sollte,
 um nicht noch mehr Strippen und Gehäuse in der Funkbude zu haben. Problem war jetzt nur noch die
 Bedienung, da im Gehäuse keine Löcher für Taster etc gebohrt werden sollten. Somit blieb nur noch
 die PTT zur Steuerung der Schaltung über. 
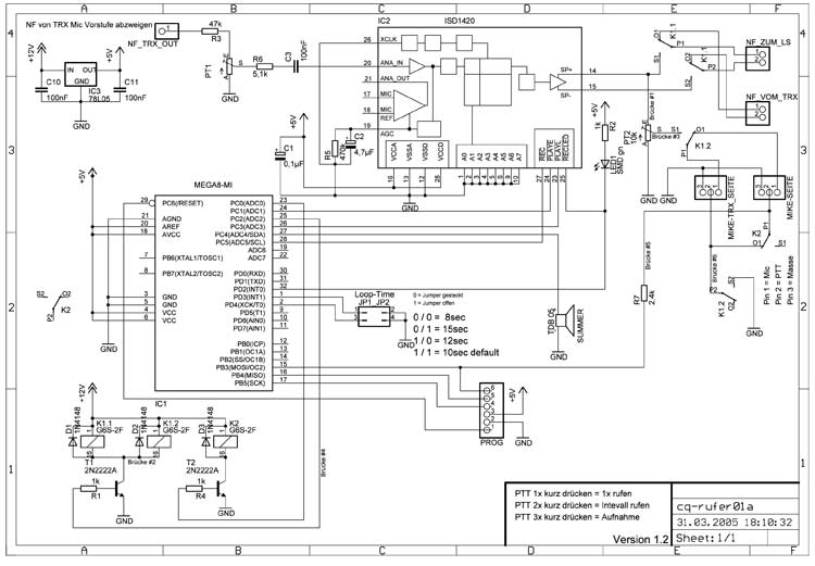
 Kernstück der Schaltung ist der AMTEL µC ATMega8 und das Sound IC ISD 2560, welches 60 Sekunden
 Aufzeichnen ermöglicht.
 Leider ist das ISD1420 bei Reichelt nicht mehr lieferbar, somit musste die alte Software
 an das neue IC angepasst werden.
 Folgende Funktionen wurden realisiert: 
 
 PTT 1x kurz drücken bewirkt die einmalige Aussendung des Textes 
 PTT 2x kurz drücken bewirkt eine Loop Aussendung, mit variabler Pause 
 PTT 3x kurz drücken bewirkt den Aufnahmemodus. 
 
 Ist der Aufnahmemodus aktiv, wird dies durch ein A in CW wie Anfang signalisiert (Pieper),
 durch drücken der PTT wird der Text aufgezeichnet und nach loslassen der Taste
 wird ein E ausgeben. Nun ist die Schaltung wieder bereit mit neuem Text. 
 Wird nicht innerhalb von 10sec die PTT Taste gedrückt, wird der Aufnahmemodus abgebrochen (CW E). 
 
 Durch 2 Lötbrücken können 4 Wartezeiten von 4, 6, 8 und 10 Sekunden eingestellt
 werden. 
 Ein optionales Poti an Pin22 vom uC ermöglicht eine stufenlose Loop-Time von 3-20 Sekunden.
 Wenn einem die 4 Lötbrücken reichen, muss Pin22 auf Masse geschaltet werden, da sie sonst
 ohne Funktion wären.
 
 
 Da die Schaltung in den TRX eingebaut werden soll, müssen am TRX 2 kleine
 Eingriffe vorgenommen werden. Zum einem muss die PTT- und die Mic-Leitung an der
 Mike Buchse abgelötet werden und in die Schaltung durchgeschleift werden. 
 Um das Sprachbild möglich original zu belassen, wurde auf eine Aufbereitung des
 Mike-Signals durch den ISD25xx verzichtet. Vielmehr wird das Mic-Signal nach der
 ersten Verstärkerstufe abgegriffen, die meistens gut an einem Steckkontakt
 des TRX abgreifbar ist. Zum einstellen des Pegels ist ein Poti vorgesehen, sowie
 auch für den Modulationskreis (Hub).
 
 Ansonsten muss nur noch +12V im TRX abgegriffen werden für die Stromversorgung. 
 Nun zum Mikrokontroller: 
 Der ATMEL ATMega8 wird über die LPT-Schnittstelle programmiert. Hier für eignet
 sich der MiniProgrammer TwinAVR von 
Roland Walter.
 Wenn man die CQ-Caller Schaltung mit der externen Spannung für den Brennvorgang versorgt,
 besteht der Brenner nur aus 2 Widerständen und einer Sub-D Buchse. Weitere Infos dazu
 bei 
http://www.rowalt.de. 
 Als Frequenz muss nur 1.000 kHz angegeben werden und das BIN-File wird zum
 µC übertragen. Die Schaltung wäre somit einsatzbereit. 
 Die SMD LED leuchtet permanent während der Aufnahme und leuchtet kurz auf,
 wenn die Ansage zu ende ist. Mittels Interrupt wird diese Meldung sicher
 erkannt und die Schaltung geht in den StandBy Modus. Ansonsten
 sollte die Funktion selbsterklärend sein, gibt ja auch nur 3 :-).
 Wenn die Schaltung sendet, wir der gesprochene Text über den TRX Lautsprecher
 ausgegeben, um die ordnungsgemäße Funktion zu überwachen.
 Dieses (Relais) kann auch entfallen, wenn der TRX eine Monitor-Funktion
 besitzt. Somit kann der Lautsprecher direkt am Transciver belassen werden. 
 Berichte auf 80m zufolge, ergaben keine Störungen oder dergleichen, auch
 die Modulation war ebenfalls identisch mit der originalen Mike-Modulation.
 Die Schaltung wurde in den Transceivern ICOM IC-740 und Kenwood TS-850S eingebaut und
 in Betrieb genommen. Je nach Mic-Vorstufen muss das in die CQ-Rufer-Schaltung einspeisende
 Signal runter geteilt werden, dies war z.B. beim TS-850 der Fall. 
 
Update: 
 Befindet sich der CQ-Rufer in der
 Endlosschleife und möchte man ihn im RX-Fall unterbrechen, wird beim PTT drücken
 der Sender nicht aufgetastet. Somit kann man die anrufende Station komplett
 empfangen (Rufzeichen) und ohne Unterbrechung durch die Abbruchfunktion.
 Soll der CQ-Rufer komplett deaktiviert werden, braucht jetzt nur die PTT
 beim einschalten des TRXs gedrückt werden und der Rufer bleibt
 bis zum nächsten einschalten des TRX funktionslos.
 Dazu gibt er noch ein "OFF" in CW mit ca. 20WPM aus.
 
 Wenn aber noch fragen sind, immer drauf los, dass PDF File sollte aber alles erklärt haben .. 
 
Hier die Bilder (anklicken):
 
 
   
     |   |   | 
   
     | Die Platine fast nackt | und komplett bestückt. | 
 
  
 
   
     |   |   | 
   
     | Ansicht ohne Spach IC | Bestückungsplan mit Layer | 
 
 
   
     |   |   | 
   
     | Bestückungsplan ohne Layer | Der Schaltplan | 
 
 
 Die komplette Anleitung ist auch als PDF File verfügbar
 und kann 
downgeloadet werden (2,3MB)