Diese Variante von der ersten DCF77 Funkuhr ist für die lokale Zeit- und Datumsanzeige
für 7-Segment-Anzeigen im Eurokartenformat ausgeführt und wird über den I2C-Bus angesteuert. 
Zum Einsatz kommen je Karte 85 Stück 5mm Leuchtdioden, ein I2C 8-Pin Konverter und ein
Darlington-Treiber ULN2003 je Karte. 
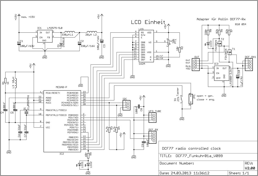
Der DCF77 Empfänger von Pollin kann leider nur 3,3V verkraften, dazu ist eine kleine Adapter-Platine
mit einem 3,3V Regler und 2 FETs zur Pegelanpassung entstanden. Die LED gibt noch
Auskunft über die Empfangsqualität. 
Die Anzeige über das 2x16 LCD oder Seriell zu einem VF-Display ist weiterhin gegeben.
Der Rest sollte selbsterklärend sein, weiteres siehe Schaltplan und die Dokumentation im PDF Format sowie auch die Uhr der ersten Version. 
Hier wieder ein paar Bilder (anklicken):
 
  
 |  | 7-Segment Anzeige mit 85 Dioden und Dezimal-Punkt, inkl. Spannungsregler 15V für gleichmäßige Ausleuchtung | 
 |  | DCF77 Rx 3,3V-Adapter für Pollin-Module inkl. LED, Maße 23x14mm | 
 |  | Schaltplan der Controller-Schaltung und DCF77-Adapter | 
 |  | Schaltplan einer 7-Segment-Anzeige | 
 |  | Ansicht der fertigen Uhr in der Werktstatt... | 
 |  | .. und etwas dichter, links der uC-Teil |