Mit einem kleinen IR-Bewegungsmelder von Panasonic und einem ATTiny25 ist diese kleine Platine
ausgestattet, welche durch Infrarotstrahlungen Bewegungen erkennt und eine Luxeon-LED ansteuert. 
Praktische Anwendungen wären Gehwege oder wie bei mir der Treppenaufgang zum Shack. Somit muss man
nicht ständig das Licht einschalten, um nur kurz die Treppe zu benutzen. 
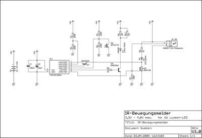
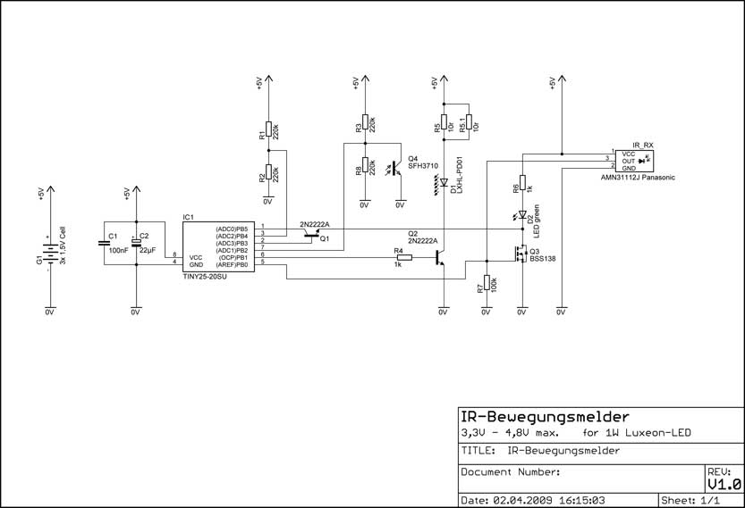
Die Platine besteht aus einem PIR-Modul, dem Controller und einer 1W-Luxeon LED.
Der Controller übernimmt die Funktion für das dimmen, Bewegungserkennung sowie Umgebungslichtstärke- und Batterie Zustand ermitteln.
Je nach Zustand der Batterie wird die LED in 3 Stufen durch PWM gesteuert, dazu abhängig von der Umgebungslichtstärke
eingeschaltet oder bleibt im Standby. 
Damit die Schaltung nicht unnötig in der Ruhestellung die Batterien entlädt, wird der uC in den Power-Down-Modus versetzt
und nimmt nur noch ca. 2µA auf. Der IR-Detector hingegen braucht ca. 120µA Ruhestrom, somit fällt der uC nicht ins Gewicht.
Eine kleine SMD LED zeigt noch die Aktivität des PIR-Moduls an. R1 und R2 sind als Spannungsteiler geschaltet und Q4 ist der Lichtsensor. 
Wird eine Bewegung erkannt, prüft der uC die Helligkeit mit Q4, und legt sich wieder schlafen, sofern es hell genug ist. 
Ist es dagegen dunkel genug, dimmt die LED auf und leuchtet dauernd, so lange sich ein Objekt bewegt.
Da der Spannungsabfall am Q4  natürlich von der Betriebsspannung abhängig ist, muss die Software das kompensieren, weil
sonst bei zu geringer Betriebsspannung fälschlicherweise eine helle Umgebung angenommen wird. 
Tritt wieder stillstand ein, wird die LED nach 4sec verzögert langsam auf AUS runter gedimmt und der uC schaltet sich aus. 
Die Schaltschwelle für den Fototransistor ist bei ca 1,97V (Ub = 4,5V) in der Software hinterlegt, wer z.B. mit einem Poti die Leichtstärke ändern möchte. 
Luxeon-LEDs sollten gekühlt werden, die Massefläche auf der Platine reicht für normale kurze (< 1min) Leuchtperioden aus.
Längere Leuchtphasen sollten ggf. mit einer extern montierten Luxeon realisiert werden, um Ausfälle zu vermeiden 
Als weitere Funktion wurde die Erkennung hinzugefügt, ob nach dem einschalten der LED inzwischen ein externes Licht, z.B. eine Treppenhausbeleuchtung, eingeschaltet wurde.
Weil dann wäre ein weiter leuchten der LED Energieverschwendung und nicht mehr nötig. 
Um nun zu erkennen, ob das Licht von der LED selber oder der Umgebung kommt, wird die LED für 200µS
ausgeschaltet und die noch vorhandene Lichtstärke gemessen. Ist es weiterhin dunkel, bleibt die LED an,
ansonsten wird abgeschaltet. Da LEDs nicht nachleuchten und 200µs nicht mehr wahrzunehmen sind, ermöglicht
dieser Trick die Erkennung ohne Beeinträchtigungen der Funktion. 
Bei der Verwendung von z.B. 3 Baby-Zellen mit 8000mAh wäre bei einer täglichen Leuchtdauer von 10min
eine Periode von ca. 200 Tagen möglich. Da die Batterien keine Akkus sind, kann aber weiter runter endladen werden,
da die LED bei 3V immer noch eine ausreichende Leuchtstärke hat. Unter 3,20V blinkt die Schaltung die LED kurz an
und zeigt somit an, dass die Batterien so gut wie entladen sind. Die LED leuchtet aber
mit geringer Leuchtstärke weiter, bis das letzte mAh ausgesaugt ist :). 
Aufbauhinweise und Bezugsquellen wie immer als PDF unten als Download.
Hier wieder ein paar Bilder (anklicken):
  
 
 |  | Foto der aufgebauten Schaltung ohne IR-Rx | 
 
 |  | Foto der aufgebauten Schaltung mit IR-Rx, Platinenmaße nur 44mmx22mm
 | 
 |  | Schaltplan des IR-Bewegungsmelders | 
 
  
 - Der komplette Aufbau zum Download => 
ir-detect.pdf (390kB)