Einfache SWR- oder Power-Meter können nicht die PEP-Leistung ermitteln, die gerade
beim einstellen der Steuerleistung für PA Betrieb recht interessant ist. 
Um nicht gleich ein neues SWR/Power-Meter kaufen zu müssen, ist diese kleine Platine entstanden,
welche aus einem normalen Meter ein PEP-Meter macht. Diese Platine ist in SMD aufgebaut, um in möglichst
vielen Gehäuseabmessungen eingebaut werden zu können. 
Ein SMD-Relais mit 2 Wechslern ermöglicht die Trennung der kompletten Schaltung vom
restlichen Messwerk, falls auch mal ohne externe Betriebsspannung gemessen werden soll. 
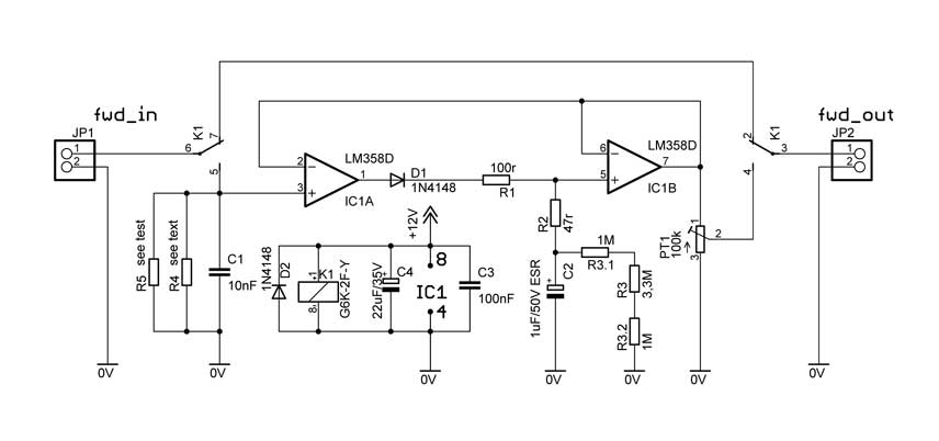
Die Funktion ist schnell erklärt: 
Die gleichgerichtete Spannung vom Richtkoppler wird vom Messwerk getrennt und in JP1
eingespeist. Der Doppel-OP bekommt in der ersten Stufe die Spannung und speist diese
in den Eingang des 2. OPs. Zwischen den beiden OPs ist die Diode D1 geschaltet, die verhindert, dass der
Halte-Elko C2 über den OP entladen werden kann. Das Verhältnis C2 und R3 bestimmt hierbei das
Anzeigeverhalten und kann ggf. nach eigenen Vorstellungen angepasst werden.
Da beide OPs als Impedanz-Wandler geschaltet werden, die Rückkopplung vom ersten OP aber vom Ausgabe des 2. OPs kommt,
ist die Ausgangspannung gleich der Eingangsspannung. Das Poti PT1 ist dann für die Pegelanpassung
zuständig und regelt evt. Offset-Spannungen der OPs aus. 
Das Relais schaltet die Messspannung im spannungslosen Zustand durch, bei
anlegen von +12V ist die Schaltung aktiv und arbeitet dann im PEP-Anzeigen Modus. 
Um die Schaltung noch genauer und linearer zu machen, sollte sonst noch ein Widerstand/Poti
am Eingang angeschlossen werden, welches dem Eingangswiderstand des Messwerkes entsprechen sollte.
Bei meinem Daiwa war das im Bereich 100-700W nicht nötig, bei kleineren Messbereichen aber
evt nicht ganz unbedeutend. Vorgesehen dafür sind die Widerstände R4 und R5, die durch Berechnung einer
Parallelschaltung recht genau zum Innenwiderstand der Messstrecke angepasst werden können.
Hier wieder ein paar Bilder (anklicken):
  
 |  | 3D Ansicht der SMD Platine | 
 |  | Schaltplan des PEP-Moduls | 
 |  | Foto der aufgebauten Schaltung | 
 |  | Ansicht eingebautes Modul oben | 
 |  | Ansicht eingebautes Modul seitlich | 
 
  
 - Der komplette Aufbau zum Download => 
kw-pep-modul.pdf(500kB)