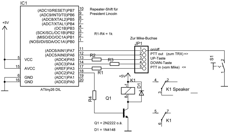
Der kleine Mikrokontroller ATtiny26 und 3 Widerstände ermöglichen
ein 10m Relais Betrieb mit -100kHz Ablage. 
Es werden einfach die beiden Leitungen UP und DOWN an der Mic-Buchse
mit dem uC verbunden. Die PTT wird an der Mic-Buchse abgelötet und mit dem Pin
PTT-out verbunden. Die Leitung PTT-in vom uC wird wiederum an die Mic-Buchse
angelötet. Das PTT Signal muss also durch den uC durch geschleift werden. 
Auf der Unterseite des TRX sind auch die +5V vorhanden, die der kleine Controller
braucht. 
Zum Einschalten der Funktion muss die Leitung 1 (on/off)auf Masse gezogen werden.
Für eine dauerhafte Repeater Funktion diese Leitung fest mit Masse verbinden.
Wer den DIM-Schalter nicht braucht, kann diesen verwenden, dazu bitte den Schaltplan
zu rate ziehen. Ein Kippschalter auf der Rückseite etc erfüllt die gleiche Funktion. 
Da durch das betätigen der UP/DOWN Tasten am Mike immer ein Piep-Ton ausgegeben wird
und anscheinend nicht abschaltbar ist, ertönt dieser immer 10x wenn der uC die
QRG nach oben oder unten zählt. Zu diesem Zweck wird über ein Transistor/Relais die Lautsprecher-Leitung
unterbrochen. Im Ruhezustand ist das Relais nicht angezogen und der Lautsprecher durchgeschaltet.
(Daher den Öffner-Kontakt verwenden!!) Als Relais ein Typ wie FINDER G6K-2P 5V nehmen, oder ein anderes
Relais. Die Stromaufnahme darf hierbei 40mA nicht übersteigen wenn man kein Transistor verwendet!
Bedingt durch die etwas langsame PLL dauert das runter und raufzählen ca. 900ms und geht dann
auf Sendung bzw ist wieder Empfangsbereit.
Weiteres siehe Bilder oder einfach fragen. 
Der fertig gebrannte Controller kann von mir bezogen werden.
 
  
 |  | Die +5V am Draht nach der Diode/U-Regler abgreifen | 
 |  | Den fertig verdrahteten Microkontroller isolieren und in den Kabelbaum legen. | 
 |  | Schaltplan der ganzen (Mini)-Schaltung | 
    
 Der komplette Aufbau zum Download => 
lincoln_repeater_Shift.pdf