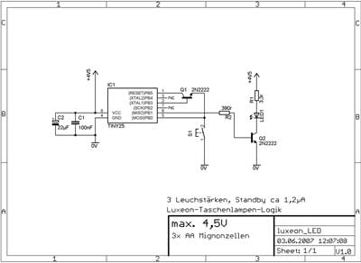
Die kleinen super hellen Luxeon-LEDs ermöglichen viele kleine Bastelideen. 
  
Da ich daraus eine kleine aber helle Taschenlampe bauen wollte, ist die Idee
einer kleinen Logik-Schaltung entstanden.
Per Tastendruck können 3 Leuchtstärken ausgewählt werden, beim 4. Tastendruck
wird die LED ausgeschaltet. Durch den Sleep-Modus im Controller sinkt die Stromaufnahme auf ca. 1,2µA ab. Ist der Transistor voll durchgesteuert steigt die Stromaufnahme auf ca. 12mA an
plus den LED-Strom. 
  
Wird der Taster betätigt, dimmt die LED auf die erste Stufe auf, die mittlere und die
gesamte Leuchtstärke ist mit weiteren Tastenbetätigungen zu aktivieren.
Zum Ausschalten erneut drücken, die LED wird runter auf Null gedimmt und der Controller
legt sich "schlafen". 
  
Die Platine ist extra klein und rund gewählt, damit man einfach eine Taschenlampe mit 3x AA Batterien aufbauen kann.
Durch umrechnen der Widerstände und der Wahl der Transistoren sind auch andere Ströme möglich. 
 
Folgende Stromaufnahmen wurden bei 4,5V ermittelt:  
  
Stufe 1: 50mA  
Stufe 2: 97mA   
Stufe 3: 244mA  
Standby: 0,36µA   
  
Andere Ströme einfach durch Auswahl von R1 einstellbar, die LED sollte aber nur mit max. 350mA betrieben werden.  
  
Viel Spaß beim Aufbau, Firmware kann per eMail angefordert werden.  
 
Der Aufbau sollte durch die Schalt/Bestückungspläne sowie der Bestellliste bei Reichelt
keine Probleme bereiten, sonst einfach mailen.  
Die Software schicke ich gerne kostenlos per eMail zu oder fertige Kontroller zum SKP.
 
 
Hier wieder ein paar Bilder (anklicken):
 
  
 |  | Ansicht der fertigen Platine mit 18mm Durchmesser | 
 |  | Gesamter Aufbau mit LED und Bedrahtung | 
 |  | Ansicht der Platine in 3D | 
 |  | Schaltplan der Schaltung | 
 |  | Bestückungsplan der Platine | 
  
 - Der komplette Aufbau zum Download => 
Luxeon_LED.pdf (330kB)
 
 - Die Firmware ist im Format HEX und BIN mit der Version 
1.00a fertig 
   gestellt und kann per 
eMail angefordert werden sowie auch
   fertig gebrannte Mikrocontroller zum SKP.