Power-LED's gibt es in verscheidenden Leistungsklassen recht Preiswert im Internet bzw.
eBay zu kaufen. Die Power-LEDs mit über 20V Vorwärtsspannung sind dagegen nicht immer einfach
einzusetzen und ein konstanter Strom nötig.
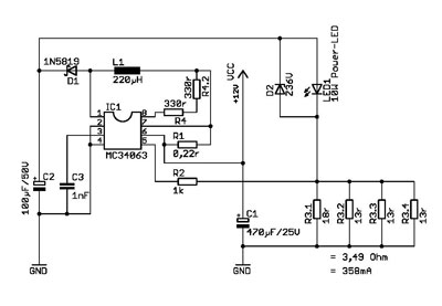
Diese kleine Schaltung kann aus 12V…25V bis ca 30V erzeugen und mit etwas Kühlung bis 350mA liefern.
Die Schaltung ist recht einfach gehalten, daher nicht kurz- und Überspannungsfest, dafür findet
alles auf ein kleines Layout platz.
Die hier dimensionierten Teile sind für 10W LEDs mit Uf 28V / 350mA ausgelegt, ansonsten siehe das Datenblatt.
Der Schaltregler ist bis 85°C ausgelegt, ein kleiner SMD Kühlkörper und Wärmeleitkleber gestattet dann auch
eine passive Kühlung.
Die handelsüblichen Teile sind wieder in der Stückliste aufgezählt und eine Reichelt-Bestellliste erleichtert
die richtige Auswahl.
Der Strom wird mit dem Widerstand R3.x eingestellt, aus thermischen Gründen wird die Verlustleistung
auf 4 Widerständen aufgeteilt. Der Konstantstrom kann mit diesen Widerstand entsprechen geregelt
werden: R = 1,25V / Strom
  
Der weitere Aufbau sollte selbsterklärend sein, sonst einfach fragen.
  
Platinen bitte über Platinenbelichter.de oder ähnliche Anbieter fertigen lassen.
Hier wieder ein paar Bilder (anklicken):
  
 
 |  | Foto der aufgebauten Schaltung 
 Platinenmaße 65mmx40mm
 | 
 |  | Bestückungsplan der kleinen Platine | 
 |  | Schaltplan | 
 
  
 - Der komplette Aufbau zum Download => 
power-led-driver.pdf (830kb)