Um die meisten Relaisstationen zu öffnen, benötigt man ein 1750Hz Ton.
Alle modernen Geräte besitzen diese Funktion, nur einige ältere eben nicht.
Einfache Ruftongeberschaltungen gibt es zwar genug, aber diese hier
kommt mit sehr wenig Platz aus und benötigt keinen extra Taster. 
Wird die PTT zum sprechen gedrückt, kann ganz normal gefunkt werden.
Wenn man aber nun die Taste ganz kurz drückt, wertet das der kleine Mikrokontroller
als Rufton aus und sendet diesen für ca 2sec aus. Die PTT wird ebenfalls vom uC
betätigt.
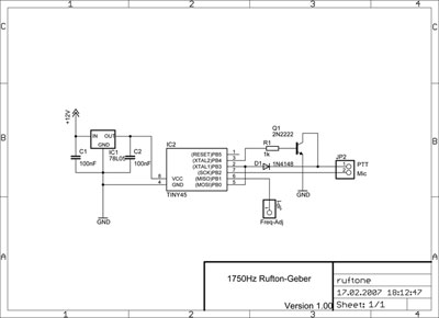
Die Schaltung besteht nur aus einem 5V Regler, 2 Kondensatoren, eine Diode, ein
Transistor mit Basiswiderstand und dem ATMEL ATtiny25V Mikrokontroller. 
 
Im Mikrofon muss eine Spannung von ca 7-20V vorhanden sein, sonst muss der Baustein im
Transceiver eingebaut werden.
Im Idealfall kann die PTT-Leitung mit dem PIN PTT der Platine und entsprechend die
MIC Leitung verbunden werden. Unter Umständen ist für die Mike-Leitung noch ein Koppel-Elko
 von ca 1-2µF nötig, um das Signal von der Gleichspannung des uC zu befreien.
Stimmt die intern vorgewählte Frequenz von 1750Hz nicht, kann mit dem Pin6
am uC die Frequenz in ca 40Hz Schritten geändert werden (auf Masse tippen).
Der Bereich erstreckt sich von ca. 2050-1650Hz und fängt bei erreichen eins Endwertes wieder
von vorne an. Dieser neue Wert wird im internen EEPROM abgespeichert und bleibt daher auch
ohne Spannungsversorgung erhalten.
Viel Spaß beim Einbau 
Technischen Daten: 
Spannung: 7-20V 
Ruhestromaufnahme: ca 5mA, Aktiv ca. 9mA  
Frequenz: 1750Hz,  ± 1,5%, Einstellbar in ~ 40Hz Schritten  
Anschlüsse: +, Masse, Mic und PTT
 
Hier wieder ein paar Bilder (anklicken):
 
  
 |  | Fertiger Baustein mit den Maßen 17x14mm 
 rot = +7-20V
 schwarz = Masse
 blau = PTT
 gelb = Mic
 | 
 |  | Schaltplan des Rufton-Gebers | 
 |  | 3D-Ansicht des fertigen Moduls | 
  
 - Der komplette Aufbau zum Download => 
ruftongeber.pdf (200kb)
 
 - Die Firmware ist im Format HEX und BIN mit der
Version 
1.00a
 fertig gestellt
   und kann per 
eMail angefordert werden.