Zur Wartung von Stufenschalterwählerkontakten in 110/380 kV Transformatoren ist es erforderlich,
sowohl den Stufenschalter über seinen gesamten Regelbereich, als auch gezielt über den Bereich
des Wenders zu stufen. 
Somit wird die Ölkohle an den Wählerkontakten abgebaut, die sich gegf. an nicht so oft
angewählten Kontakten bilden kann. Gerade nicht versilberte Kontakte sind da anfälliger.
Eine Widerstandsmessung kann die Reinigungswirkung dann belegen. 
Viele Betreiber sehen daher eine turnusmäßige Reinigungsstufung vor, um die Bildung der Ölkohle zu minimieren. 
Eine Stufung sollte mindestens 200x über den ganzen Bereich und ca. 200x über den Wender erfolgen. 
Um diese Arbeiten dann effektiv ausführen zu können, ist zum Stufen die Mitarbeit eines Azubi hilfreich oder die Anwendung der neuen Stufenschalter-Regelautomatik. 
Ablauf: 
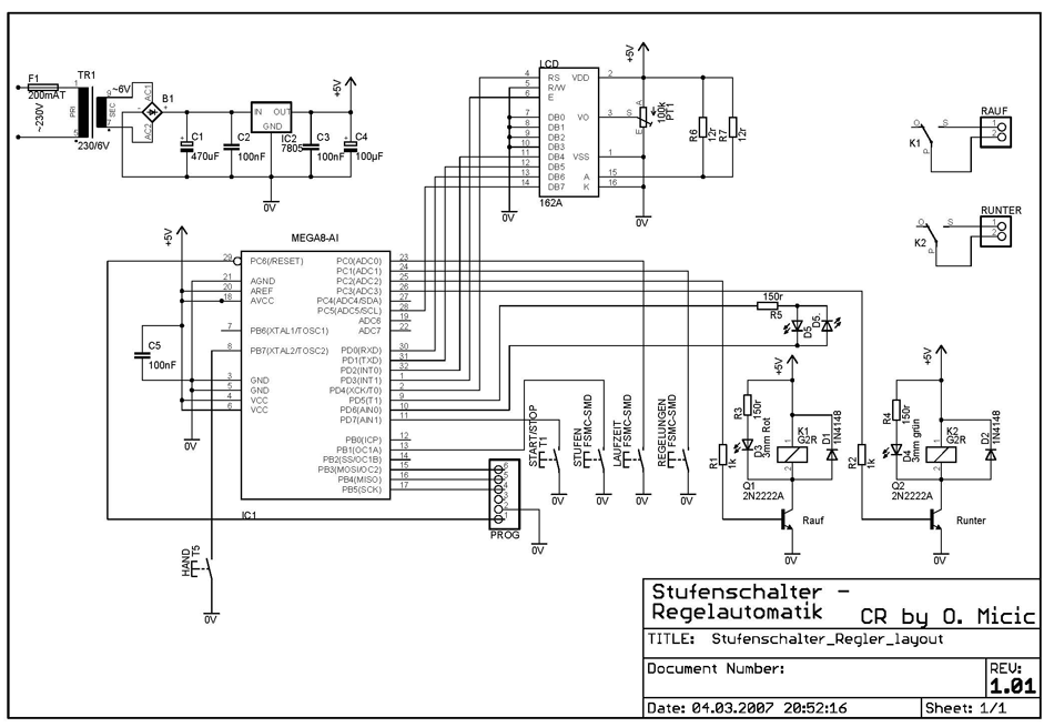
Das Gerät besitzt 2 Wechslerkontakte, je einer für "Rauf" und "Runter".
Gemäß Anlage werden die Rauf- und Runter-Schaltkontakte im Regelantrieb
mit den Buchsen am Gerät verbunden. Hierzu sind die Sicherheitslaborleitungen
und Klemmen zu verwenden. Zuvor muss eine Gummimatte gem. "AuS am Arbeitsplatz"
ausgelegt werden. 
Ist das Gerät eingeschaltet, erscheinen ein Begrüßungstext und die bis jetzt
ausgeführten Regelungen, danach ist es betriebsbereit. 
Der Regelantrieb muss vor dem Einsatz per hand auf die Stufe eins regelt werden, um einen
definierten Anfangspunkt zu gewährleisten. 
 
Mit den Tastern Stufen, Laufzeit und Regelungen werden die gewünschten
Parameter eingestellt, die sich das Gerät auch nach dem ausschalten merkt.
Ist soweit alles vorbereitet, wird die Start/Stop-Taste gedrückt, die LED
leuchtet nun rot statt grün und der Regelvorgang wird begonnen.
Oben rechts wird doch die benötigte Restlaufzeit in Minuten angezeigt.  
 
Ist eine Unterbrechung nötig, muss kurz die Start/Stop-Taste gedrückt werden.
Nochmaliges betätigen bewirkt ein fortfahren der Regelung.
Ist ein Abbruch des Vorgangs nötig, muss die Taste für ca. 1sec gedrückt werden.
Stufe 1 und die vorgewählten Stufungen werden wieder angezeigt und die LED leuchtet grün. 
  
Ist das Gerät im Betrieb, wird unten links die angefahrene Stufe angezeigt,
in der Mitte die Richtung, ob rauf oder runter und rechts die restlichen Stufungen bis zum Stop. 
Zu beachten ist, dass der Stufenschalterantrieb nicht per Hand geschaltet werden darf,
so lange die Regelautomatik aktiv ist (rote LED)! 
Folgende Bereiche sind Einstellbar:  
 | Stufen: | 3 - 27 | (Vorgabe 19) | 
 | Laufzeit pro Regelung: 
 | 3 - 19 | (Vorgabe 6sec) | 
 | Regelungen: | 30 - 550 | (Vorgabe 500) | 
 
 
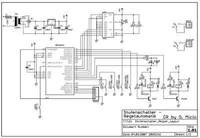
Der Rest sollte selbsterklärend sein, weiteres siehe Schaltplan und die Dokumentation im PDF Format. 
 
 
 
Hier wieder ein paar Bilder (anklicken):
 
  
 |  | Ansicht Komplettgerät | 
 |  | Schaltplan des Reglers | 
 |  | Controller Platine mit LCD in SMD-Technik | 
 |  | Anschluss im Regelantrieb Typ MA-4 | 
 |  | Anschluss im Regelantrieb Typ MA-7 | 
 |  | Anschluss im Regelantrieb Typ MA-E | 
  
 - Der komplette Manual zum Download => 
stufenschalter_reglerautomatik.pdf (800kB)