Die Idee 
[1] ein normales Handy in ein Wählscheibentelefon aus den 70er Jahren einzubauen
ist zwar nicht neu, aber da doch das Nice-to-Have nicht ganz unlustig ist, wollte ich mir
auch eins bauen. Die Idee wurde auch von einem Arbeitskollegen 
[2] aufgegriffen und
in Lochrastertechnik umgesetzt sowie im 
Forum diskutiert. 
Aber wie das so ist, wollte ich die Luxus-Version
mit geätzter Platine realisieren und selber das Programm für die Steuerung schreiben.
Das Konzept von mir verwendet ein Bundespost Wählscheibentelefon Typ 
FeTAp 611-2 aus
den 70ern und ein Siemens C-25 Handy, die es recht günstig bei eBay gib. Gut erhaltene
Telefone dagegen sind zum Teil nicht unter 10,- zu haben.
 
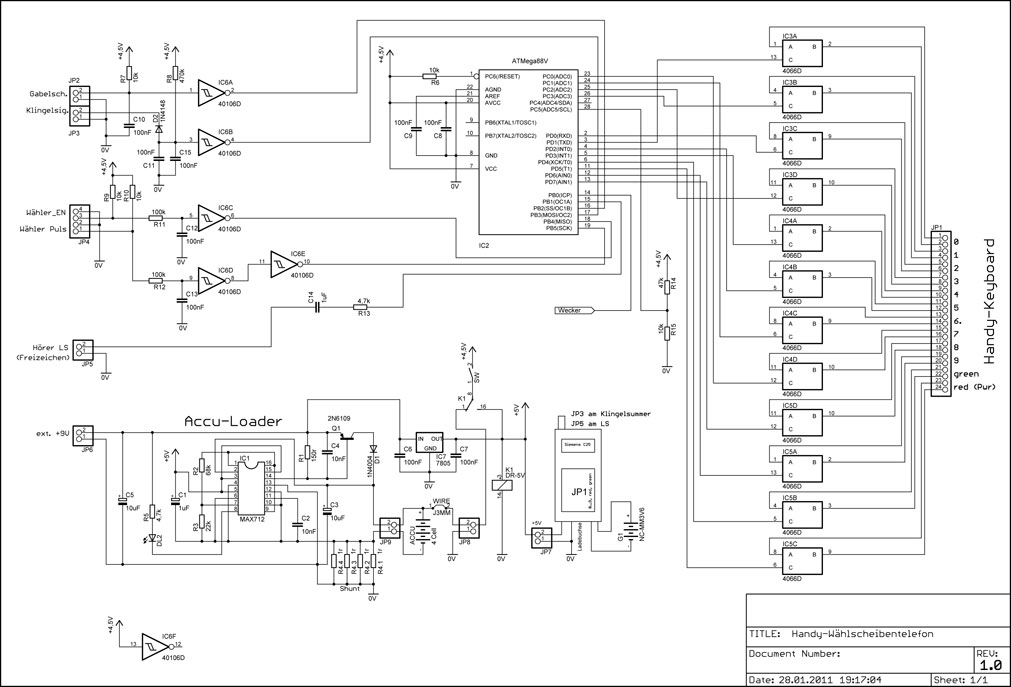
Ich habe auf der Platine den Controllerteil mit einem ATMega88V, eine Ladeschaltung für
4 NiMH-Akkus und die Erzeugung der 30V Wechselspannung (ATTiny25) für die Glocke untergebracht.
Um das selber ätzen so einfach wie möglich zu gestalten bzw. preiswert, ist die Platine nur
einseitig und kommt mit 7 Drahtbrücken aus. Auf SMD konnte aber nicht verzichtet werden, die
Teile im 1206 Format sind dennoch noch recht gut zu löten.
Eine Stückliste gibt Auskunft der benötigten Teile und wer bei Reichelt bestellen möchte auch
eine Bestellliste in diesem Handbuch.
Da der StepUp Converter für die 25V bis 30V ca. 300mA Spitzenstrom benötigt, müssen 2 Stromversorgungen
eingebaut werden, weil das Handy mit derartigen Spannungseinbrüchen nicht klar kommt. Das Handy behält
daher den eigenen Akku bzw. man baut 3 Zellen mit ein. Diese werden dann auch vom Handy über die Ladebuchse
(+5V) geladen und überwacht. Der Akku für die Steuerung bekommt eine Ladeschaltung mit einem MAX712 und
versorgt den uC- und Konverterteil. Ist die Schaltung in Bereitschaft beträgt die Stromaufnahme gerade
5mA und nur wenn es klingelt sind es im Mittel ca. 250mA je nach Akkuspannung.
Der uC überwacht auch die Akkuspannung und schaltet das Handy und sich selbst bei ca. 3,8V ab. Um zu
verhindern, dass alles abgeschaltet wird, wenn es klingelt, da die Spannung naturgemäß auch unter 3,8V
fallen kann, ist die Funktion so lange deaktiviert und erst nach ca. 800ms wieder aktiv. 
Um zu erkennen, ob das Handy angerufen wird, muss der Klingel-Piezo abgegriffen werden und durch eine
gewählte Dauermelodie (18) wird der Pegel am Eingang vom IC6B auf low gezogen.
Somit wird am uC ein High-Pegel erzeugt, die Glocke aktiviert und darauf gewartet, dass der Hörer
abgenommen wird. Der weitere Ablauf verhält sich in bekannter Weise. 
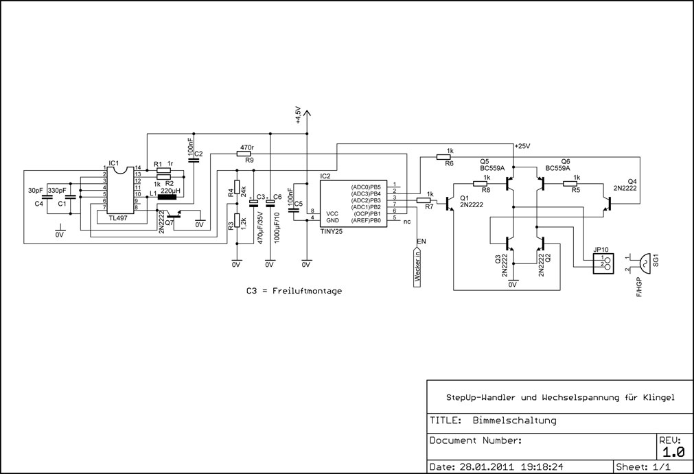
Die typische Klingeltonerzeugung wird von einem ATTiny25 gesteuert, der die +25V Schaltung aktiviert
(Strom sparen) und mit einer H-Brücke die Wechselspannung erzeugt.
Der Haupt-uC braucht daher nur mit einer Leitung den Befehl zum läuten geben. Es wäre auch möglich
gewesen, dass den ATMega88 auch erledigen zu lassen, wollte dieses aber gerne trennen. Andere haben
den Vibrationsmotor an die Glocke geklebt, was ich aber als nicht so elegant erachtet hatte und
außerdem hat das C25 kein Vibrations-Alarm. 
Der andere Teil wäre der Vorgang zum Telefonieren. Weil ein Handy kein Freizeichen hat, im Festnetz
aber üblich ist, wird dieses vom uC simuliert, wenn der Hörer abgenommen wird.
Der uC wartet nun auf das Wählen der gewünschten Rufnummer, natürlich mit Vorwahl und nach 3s Wählpause
wird die Verbindung aufgebaut.
Auch das typische Knacken in Lautsprecher ist zu hören, wenn die Wählscheibe zurück dreht und die Impulse
zum uC überträgt. 
Das originale Mikrofon, in der Regel eine Kondensatorkapsel, wird vom Handy in den Hörer eingebaut,
der Lautsprecher im Hörer kann dagegen weiter verwendet werden. 
Auf der Platine ist dazu die Position der Kontakte richtig platziert und erfordert die Kontakte von
der alten Platine. Außerdem wird die Gabel von selbiger ausgelötet und in die neue verlötet sowie
geschraubt. Mehr Teile werden auch nicht benötigt.
Mit der Firmware Version 
1.20 (12.04.2011) sind noch einige Verbesserungen hinzugekommen: 
        Das Freizeichen hat jetzt 425Hz, es war vorher niedriger 
       Wenn der Hörer abgenommen war und das Handy wird erst dann angerufen, 
              wurde das Gespräch sofort angenommen. Dies ist jetzt gesperrt, dass Gespräch 
              wird nicht abgenommen. 
        Das Handy kann mit wählen von "999" jeweils Ein- oder Ausgeschaltet werden
Mit der Firmware Version 
1.30 (12.08.2011) kann die Software die letzte gewählte Rufnummer
im EEPROM (unverschlüsselt :-) ) speichern und wird mit wählen von "99" angerufen.
Zum Aufbau:
Als Reihenfolge empfehle ich erst die Ladeschaltung aufzubauen und zu testen, dann den
Spannungskonverter mit der H-Brücke und ATTiny25 für die Klingeltonerzeugung und zum
Schluss den uC-Teil inkl. Analogschalter- und Schmitt-Trigger-IC.
Wichtig ist für die Inbetriebnahme des Spannungswandlers, dass der Kondensator C-3 bestückt
wird, da sonst keine Spannung erzeugt wird. Dieser Elko ist mit 470µF/35V etwas zu groß für
SMD und muss daher über dem IC-2 angebracht werden. Die Pins gehören auf dem Spannungsausgang (+25V).
Der uC sendet beim Einschalten der Stromversorgung 0..9 auf die Handytastertur und die FW-Version.
Somit hat man auch die Gewissheit, dass die richtigen Pins am Handy angelötet sind. Durch das
Flachbandkabel und Wannenstecker/Buchse ist der Aufwand erträglich und minimiert den Fehlerteufel.
Das Relais trennt im Ladevorhang den Akku von der uC-Einheit, da die Spannung über 6V beträgt und
dem uC schaden könnte. Wird die ext. Versorgung abgeschaltet, fällt das Relais ab und der Akku versorgt
die Schaltung. Die Spannung fällt ohne Ladestrom auf unter 6V ab,
was somit keine weiteren Schutzmaßnahmen erfordert. 
Ansonsten sollte der Aufbau selbsterklärend sein, zu Beachten ist die Polung der LED,
Dioden und Elkos. Die angephaste Kante der ICs entspricht dem Doppelstrich im Bestückungsplan.
Nicht zu vergessen sind die Drahtbrücken und die Masseverbindung der ICs 3-5 zum Platinenrand.
Die Gabel wird auf der Leiterbahnseite montiert, daher ist bei nicht-durchkontaktierten Platinen
kein Löten möglich. Hierzu sind Lötpads vorgesehen, was das verbinden von unten
Erleichtert. Wichtig ist noch die Plusleitung vom JP8 nach JP9 zu verlegen, im Schaltplan mit
"Wire" bezeichnet (nicht Masse) 
Ein Schalter (SW) ermöglicht noch das komplette Ausschalten des Telefons, um den Akku zu schonen.
Das C25-Handy schaltet sich bei Spannungsabfall auch mit ab, im Programm ist der Vorgang aber nicht
berücksichtigt.
Die Bauteile mit Bindestrich in der Bezeichnung im Bestückungsplan wie z.B. T-3 sind für
 die Klingelschaltung getrennt aufgeführt, siehe zweiten Schaltplan und das Layout.
Eine weitere Möglichkeit Strom zu sparen wären die LEDs am Handy zu entfernen,
somit sind noch einige mA drin, zumal die LEDs nicht gebraucht werden.
Durch den Einsatz der "V" Version des ATMega ist die Stromaufnahme des uC-Teils
nur noch sehr gering. Somit ergibt sich eine mittlere Betriebszeit von ca. 1 Woche je nach eingesetzten Akkus.
Ich möchte noch darauf Hinweisen, dass dieser Nachbau nur für den geübten Bastler zu empfehlen ist,
gerade wenn andere Handys zum Einsatz kommen sollten. 
Falls das Handy nicht die gewählten Zahlen anzeigen, wenn diese mit der Wählscheibe gewählt werden,
so kann es an den abgenutzten Kontakten in der Wählscheibe liegen, je nach Beanspruchung des
Telefons in der Vergangenheit. Sie sollten nahezu Null Ohm haben.
Eine kleine 
Bilderserie
soll als Aufbauvorschlag dienen, Möglichkeiten gibt es ja genug.
Gebrannte Controller oder Platinen in kleiner Stückzahl können zum SKP bezogen werden,
die Firmware zum selber brennen  sende ich aber auch gerne zu (eMail). 
Hier wieder ein paar Bilder (anklicken):
  
 
 |  | Standard Telefon aus den 70er Jahren | 
 
 |  | Ausgebaute originale Platine ohne Gabelschalter | 
 |  | Bestückte Platine in 3D | 
 |  | Bestückte Platine mit Gabelschalter | 
 |  | Aufgebaute kommerziell hergestellte Platine im Telefon ohne Verdrahtung | 
 |  | Aufgebaute kommerziell hergestellte Platine im Telefon mit Verdrahtung und Handy-Akku unter der
 Wählscheibe. 
 Der Haupt-Akku fehlt noch, die Zellen werden vor der Wählscheibe unten platziert.
 
 Oben rechts der SIM-Karten Adapter für problemlosen Tausch ohne öffnen.
 | 
 |  | Eingebaute Platine, Handy und Akkus noch extern | 
 |  | Schaltplan Controllerteil und Akkuladung | 
 |  | Schaltplan der 25V Erzeugung, H-Brücke und Controller | 
 
  
- Der komplette Aufbau zum Download => 
telefon.pdf (3,0MB)
- Firmware zum selber brennen V1.30 => 
telefon_fw_130.rar 
- Bilder vom fertigen Aufbau => 
telefon_bilder.rar (2,3MB) 
- Besonders zu beachten: 
RTFM   :-)