Zum debuggen von Mikrocontrollern oder zum auslesen von Daten aus dem uC
benötigt man ein RS232 Konverter, oder das IC FT232, welches aus 5V TTL Signalen
ein USB Port wandelt. Im PC wird ein virtueller COM-Port geschaffen, wo die Programme
normal aufsetzen können. 
Für das DC-Power-Meter Projekt besteht nun eine serielle Datenausgabe zum PC, aber eben
ohne Pegelwandlung nicht direkt anschließbar. 
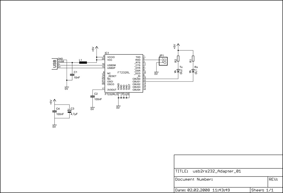
Dieser kleiner Baustein bietet alle RS232 Signale am Ende der Platine, benötigt wird aber nur der RxD-Pin
Pin. 2 LEDs zeigen an, ob Daten gesendet werden und in welche Richtung (rt/gn).
Da die neue Version FT232RL fast keine ext. Bauteile benötigt, ist der Aufbau klein und
schnell aufgebaut. Die Platine besteht aus SMD-Teilen wie Buchse, IC, Drossel
und 2 LEDs mit Vorwiderstand. 
Der Aufbau sollte selbsterklärend sein, sonst einfach fragen.
Als Download sind wieder Stücklisten, Bestückungs- und Schaltplan, sowie
Layout als PDF zur Verfügung.
Fertig gebohrte Platinen mit Lötstop und Goldpads sind zum SKP verfürbar.
 
 
 
Hier wieder ein paar Bilder (anklicken):
 
  
 |  | Ansicht der fertig bestückten Platine | 
 |  | Ansicht der fertig bestückten Platine etwas dichter | 
 |  | Schaltplan der kleinen Schaltung | 
  
 - Der komplette Aufbau zum Download => 
usb_to_com.pdf (380kB)
 - NEU: Layout-Version V1.1 mit Optokopplern:  
usb_to_com11.pdf (470kB)
 - Treiber für XP, Vista => 
Download
 - Treiber für Linux => 
Download
 - Hersteller Download => 
Link