Durch die vielen Vorschläge und Anregungen der cqDL Leser vom Heft 
12/2006 und dem
 dort von mir  beschrieben 
Power-Meter für das Shack, ist eine Modul Version entstanden,
 die ein Netzteil mit einer universellen Anzeige ausstatten kann. 
 Das fertig gestellte Modul erfüllt folgende Funktionen/Anzeigen: 
 
 Spannung in V (0 - 30V), Standardfunktion bei 13,8V
  Strom in A, Wahlweise max. 5A oder 50A (JP1)
  Spitzenstrom Anzeige ohne Maßeinheit
  Leistung in W (1 - 999W)
  elektrische Arbeit in kWh
  Kapazität in Ah für Akku-Betrieb bzw für Akkuladung
  Einschaltdauer in Stunden/Minuten, nach 1 Woche in Tagen
  Temperatur-Sensor opt. anschließbar, Abgleich per Software
  Bargraph Balken, kWh, Ah, Einschaltzeit und Temperatur per Taster wählbar, 
     gewählte Anzeige wird im EEPROM abgespeichert (nur bei 2x16)
  Ah- oder Is-Anzeige per Jumper (JP2) wählbar statt Spitzenstrom, 
     auch im Betrieb (nur bei 2x16)
 
  LCD Beleuchtung 
  LCD und Messplatine als Modul-Version (Sandwich)
  Leistungsmessbereich für den Bargraph Balken von Jumper JP1 abhängig, 
     150W/800W (5A/50A Version mit 10/1mOhm Shunt)
  Wahlweise 2x16 oder 4x20 Zeichen LCD, unterschiedliche Firmware !  
  optionale Quarzversion, genauer als der RC-Oszillator (ca. 30ppm statt 1% !!!) 
  V1.16a: Zwangsabschaltung der Verbraucher bei unter 10,8V 
      wenn JP3 geschossen mit optionalem Relais 
  
  NEU: V2.00e: Infos siehe unten
 
 Für eine kompakte Bauweise kam diesmal ein DIP LCD Modul zu Einsatz. Dieses hat auf beiden Seiten
 eine 9-polige Stiftleiste. Diese werden auf die Buchsenleisten der Messplatine gesteckt, die auch die
 nötigen Bohrlöcher für die Frontplattenmontage beinhalten. 
 
 
Beim erstmaligen Einschalten wird man zum abgleichen der Spannung aufgefordert,
 falls die Genauigkeit der 3 Spannungsteiler Widerstände (1%) nicht reicht.
 Dazu wird der Taster so oft gedrückt, bis die IST-Spannung eines Multimeters mit
 der Soll-Anzeige übereinstimmt. Die IST-Spannung im LCD-Display entspricht hierbei die vom uC durch den
 Spannungsteiler ermittelte Spannung. Dieser Vorgang sollte ohne Last und bei 
13,8V erfolgen,
 somit dann auch kein Zutun des Anwenders erforderlich ist.
 Ist der SOLL-Spannungswert eingestellt, wird dieser nach 10s übernommen und im
 EEPROM abgespeichert.  Möchte man diesen Vorgang wiederholen, reicht es, den Taster
 beim Einschalten gedrückt zu halten, 
bis ein entsprechender Hinweis im LCD erscheint. 
 Als zweiter Abgleich muss der Operationsverstärker für den Strommessverstärker symmetrisiert werden, hierzu
 wir der Strom mit einem Multimeter kontrolliert und mit PT2 korrigiert. 
 Mit PT1 wird noch der Kontrast des LCD Displays eingestellt, weitere Abgleicharbeiten sind nicht mehr
 erforderlich. 
 Wer den Temperatur-Sensor LM335 für z.B. die Messung der Kühlkörpertemperatur einsetzt, muss diesen noch
 zusätzlich abgleichen. Dazu einfach ein Stück Draht an das Lötpad "T-Adj" (Pin 16,IC1)
 anschließen. Kurzes tippen auf Masse bewirkt eine Erhöhung um 1°C, nach 20° fällt der Wert wieder auf 0°C zurück.
 Auch dieser Korrigierungswert wird im internen EEPROM abgespeichert. 
 
 
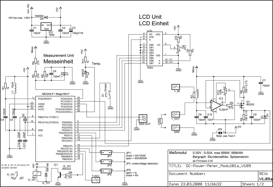
Der Aufbau erfolgt komplett ohne SMD Bauteile, um einen möglichst großen
 Personenkreis den Nachbau zu ermöglichen. Die ICs werden mit IC-Fassungen gesockelt, hierzu sollten nur
 Präzisionsfassungen verwendet werden. Das teuerste Bauteil ist der Strom-Shunt,
 dessen Widerstandswert sehr klein gewählt wurde, um den Spannungsabfall so gering wie möglich zu halten.
 Daher kam ein Shunt mit 1mOhm und separaten Spannungsfühlern zum Einsatz. 
 Für die 5A Version muss der Shunt 10mOhm haben und der Jumper JP2 geschlossen sein.
 Um die Masse nicht durch den Shunt zu verfälschen, wurde dieser auf der positiven Seite
 untergebracht, weiteres siehe auch Schaltplan und Layout im PDF.
 Bedingt durch diese OP-Schaltung, ist eine richtige Strommessung erst ab ca. 4-5V möglich. 
 
 
Im normalen Betrieb werden die Messgrößen U, I, Is und P angezeigt.
 Der Spitzenstrom wird rechts oben angezeigt, aus Platzgründen ohne Maßeinheit.
 Der Wert wird ständig nach oben korrigiert, bis kein Messwert größer ist als
 der zuvor gemessene, dieser wird dann für ca. 2sec angezeigt et cetera 
 Ein drücken des Tasters  schaltet zwischen dem Power-Peak-Balken, elektrischen Arbeit,
 Ah, Einschaltdauer und Temperatur um, da das 2x16 LCD Modul nicht ausreichend Platz für alle Information bieten kann.
 Durch die Messung der Einschaltdauer ist ein direkter Bezug der elek. Arbeit und die dazu verstreichende Zeit/Tage möglich. 
 
 
Für Akku-Betrieb wurde noch die Kapazitätsmessung in Ah hinzugefügt. 
 Ist JP2 offen, bleibt die Standard-NT Funktion aktiv, geschlossen bewirkt die Ah Anzeige anstatt dem Spitzenstroms.
 Der Jumper JP2 kann auch während des Betriebes betätigt werden, da die Ah im Hintergrund weiterhin ermittelt werden.
 Ein Kippschalter im Gehäuse/Frontplatte wäre auch denkbar, falls die Funktionen öfter gewechselt werden sollen. 
 
 
Durch den großen Strommessbereich von 0-50A ergibt sich eine Auflösung von 50mA/Digit, da der
 A/D Wandler max. 10bit auflösen kann. Hinzukommt noch ein Fehler von +/- 1-2 Digit, bedingt durch das
 AD-Wandler Quantisierungsrauschen. Bei einer Stromaufnahme von 10A hat sich ein
 Fehler von 1% eingestellt. 
 Bei der 5A Version ergibt sich eine 10fache bessere Auflösung, sprich 5mA. Dafür ist dann ein 10mOhm Shunt zu verwenden.
 Der Spannungsmessbereich ist da etwas besser, hier wird eine Auflösung von 30mV/Digit erreicht.
 Die genannten Messfehler sind aber als Betriebsmessgerät völlig in Ordnung und stehen
 im guten Verhältnis Kosten/Aufwand und zur 
Messgenauigkeit. 
 Wer die zeitabhängigen Messgrößen noch genauer haben möchte, kann anstatt des RC-Oszillators ein 8MHz Quarz bestücken sowie C11/12.
 Dazu müssen die Fusebits entsprechend gesetzt sein (ext. Quarz CKSEL=1111 / int- RC- Osz. CKSEL=0111), bitte gegf. auf die
 gewünschte Version hinweisen. 
 
 V1.16a: 
Für Portabelbetrieb wurde jetzt noch eine
Unterspannungsüberwachung für Akku-Betrieb eingebaut. Aus Platzmangel müssen Relais, Transistor
und Basiswiderstand extern untergebracht werden, diese sind aber im Schaltplan eingezeichnet.
Diese Funktion ist standardmäßig ausgeschaltet und erst aktiv, wenn JP3 auf Masse gelegt wird (Lötbrücke).
Relaisausgang ist der Pin 17 des Mikrocontrollers, der ab 10,8V auf 5V schaltet und bei 11,8V wieder auf Null gesetzt wird.
Eine ausreichende Hysterese ist hierbei wichtig, um die Gefahr von
Relais klappern im TX Mod. zu verhindern. Ein 
Hinweistext  bei Unterspannung zeigt statt des Stroms
die erkannte Akkuentladung an und erlischt ab 11,8V.
 
 
Version 2.00e mit ATMega168
 
Die neue Version mit dem AVR ATMega168 ist nun fertig gestellt, ist
Pinkompatibel zum "alten" ATMega8, aber bietet
 mehr Programm-Flash.
 Daher sind folgende Funktionen realisiert: 
 - Freie Shuntwahl von 1/10mOhm oder 60mV DIN Shunts bis 400A 
 - Freie Wahl der Aussteuergrenze des Bargraphen für Leistung P 
    (4200 bis 62W) 
 - Langzeitspeicherung von kwh, Ah und Einschaltzeit im 3min Takt 
 - Zeitrelevante Messwerte sind genauer durch neues Timing 
 - Serielle Ausgabe der Messwerte U, I, P, W, Ah mit 9600Bd auf Port PC2, 
   siehe Auswertung 
Beispiel 1 und 
Beispiel 2
   mit 
Putty/Excel
 - Ser. Ausgabe Delay im Menü einstellbar von 0-9sec, dann in 10sec 
  Schritten bis 10min, ab 10min in 60sec Schritten bis 60min (0 = deaktiviert) 
 - Layout bleibt 100% kompatibel, Controller tausch reicht 
 
 Dank der weiterhin kompatiblen AVR Controller ist kein neues Layout
 notwendig. 
 Die unterschiedlichen 
LCD Ausgaben sind zur besseren Veranschaulichung zusammen gefasst.
 
 Eine Option von Wolfgang Baumert ermöglicht die Strommessung bereits ab 0V, wenn das Modul extern mit versorgt wird. Hierzu wird eine -5V Hilfsspannung und 2 kleine Eingriffe im Layout benötigt (nur bis Layout V1.64). 
 Der Umbau beschreibt Seite 19 im PDF Handbuch.
Ab der Layout-Version V1.65 ist nur noch JP5 erforderlich, offen für -5V und geschlossen, wer diese -5V Option nicht nutzen will. Am Lötpad "-5V" einfach die Hilfsspannung einspeisen.
 
 Eine praktische Anwendung zeigt der Einbau in einem 
SAMLEX SEC1223 Schaltnetzteil.
 Weitere Anwendung der Nachbauer waren Camping, Boot, e-Mobile, Solaranlagen und Windräder, was zu Anfang gar nicht beabsichtigt war. 
 
 Alle weiteren Beschreibungen zur neuen Version befinden sich im neuem PDF Dokument, siehe weiter unten.
 
        
 
 Ich habe wieder Schaltplan, Layout, Bestückungsplan und die Reichelt-Bestellliste als Archiv
 bereitgestellt. Der Aufbau sollte selbsterklärend sein, sonst einfach Fragen. 
 
 Fertig gebrannte Mikrokontroller und 
Platinen können von mir zum Selbstkostenpreis bezogen werden. (Firmware siehe unten).
 
 
Hier wieder ein paar Bilder (anklicken):
 
  
 |  | Anzeige des LCD-DIP Moduls mit der 2x16 Zeichen Version | 
 |  | 4x20 Zeichen Modul Version mit Temperatur.
 Fühler sitzt am Kühlkörper vom 7805 Regler, 1,14W Pv bei 21K/W KK und Raum-Temp. 23° = 47°C | 
 |  | Rückseite des Moduls mit der Messplatine V1.62, Lötstop etc | 
 
 |  | Löt- und LCD-Modul-Seite der Platine | 
 |  | Schaltplan des gesammten Moduls | 
 |  | Lötseite der Messplatine als 3D Ansicht | 
 |  | Bestückungsseite als 3D Ansicht, der Kühlkörper fehlt hierbei | 
 |  | Alle 4 Anzeige-Modi per Taster auswählbar (nur bei 2x16). Der 5. Modus Temperatur ist auch verfügbar, ist kein Sensor angeschlossen, wird "no sensor" angezeigt.
 | 
  
 - Der komplette Aufbau bis V1.16a zum Download => 
nt-power-modul.pdf (1,3MB)
  und ab V2.00 
nt-power-modul_2.pdf in deutsch (1,6MB)
  und in englisch: 
nt-power-modul_2eng.pdf. 
-  This is the 
translated dokument version 2.00 or higher  
nt-power-modul_2eng.pdf
    in english (1,5MB). 
 
 - Kleines 
Video von der Bargraph-Anzeige bei SSB-Modulation 100W auf 
   80m zur Demonstration vom Shack-Power-Meter. (4,7MB) 
 
 - 
Wichtige  Hinweise zum FET BS250 Q1:  
dc-power-meter_info_bs250.pdf !!!!
 
 - Die Firmware ist im Format HEX und BIN für beide Platinen mit der 
   Version 
1.16a / 2.00e (History)
 fertig gestellt und kann per 
eMail angefordert werden
   sowie auch fertig gebrannte Mikrocontroller und 
Platinen zum SKP. 
 
 Dietmar, DL2SBA hat ein PC-Programm für Windows geschrieben, welches die wichtigen Werte U, I, P, A und Ah
 in einem kleinen unauffälligen Fenster anzeigt. Das ganze kann man auch transparent machen und die Baudrate und COM-Port
 einstellen. Hier ein Bild vom Programm, download siehe seine Homepage. 
 
 Sollte das Programm mit einer Fehlermeldung beendet werden, muss noch die
  
 Microsoft .NET Framework 3.5 installiert werden.
 
  
![[Counter]](http://www.dg7xo.de/cgi-bin/img_counter.cgi?count4.cnt) 
  