Bei vielen steht das DC Netzteil für die Funkgeräte nicht gerade im Sichtkontakt oder gar
 in einer Dachbodenabseite (wie bei mir). Daher wollte ich eine zentrale
 Anzeige für Spannung und Strom im Shack haben. 
 Entstanden ist eine Anzeige, die folgende Funktionen/Anzeigen erfüllt: 
 
 Spannung in V (10 - 20V), Standardfunktion bei 13,8V
  Strom in A (0,1 - 50A)
  Spitzenstrom 
  Leistung in W (1 - 999W)
  elektrische Arbeit in kWh
  V1.20a: Kapazität in Ah für Akku-Betrieb
  Einschaltdauer in Stunden, nach 1 Woche in Tagen
  Bargraph Balken oder kWh Anzeige per Taster
  V1.20a:  Ah- oder Is-Anzeige per Jumper (JP2) wählbar, auch im Betrieb
 
  LCD Beleuchtung in 10 Schritten einstellbar, Quittungston 
  Speicherung der Beleuchtungsstufe bei NT Abschaltung
  Abschaltung der Beleuchtung wenn keine Last (PowerSave)
  Ab 14,9V Zwangsabschaltung der Verbraucher wenn Is Aktiv
  V1.20b: Zwangsabschaltung der Verbraucher wenn Ah Aktiv bei unter 10,8V 
  V1.20a: Überspannungsüberwachung AUS bei Akku-Betrieb
  V1.20b: Unterspannungsüberwachung EIN bei Akku-Betrieb
  Anzeigen- und Messteil getrennt
  Leistungsmessbereich für den Bargraph Balken mit Jumper einstellbar, 400/750W
 
 NEU: Version 1.50a mit den gleichen Funktionen der Modul-Version: 
 
 
 Funktion der 2.00 Version von der Modul-Version integriert
  Neuer Controller ATMega168, dabei (fast) gleiches Layout/Platine
  Freie Shuntwahl von 1/10mOhm oder 60mV DIN Shunts bis 400A
  Freie Wahl der Aussteuergrenze des Bargraphen für Leistung (4200-62W)
  Langzeitspeicherung von kwh, Ah und Einschaltzeit
  Zeitrelevante Messwerte sind genauer durch neues Timing 
  Alle weitere siehe neues PDF-Dokument V1.50!!!
 
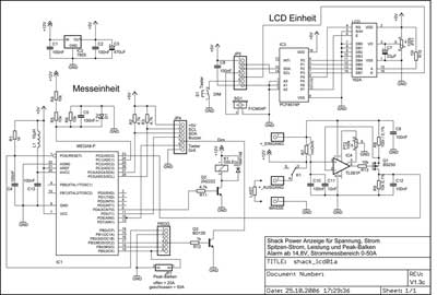
 Das Display beinhaltet nur das LCD Modul, ein paar Bauteile und einen Taster.
 Der Rest ist im Messteil untergebracht, dieser besteht aus der Messwerteaufbereitung,
 der Controllereinheit, Spannungsversorgung und Relais. Die Messeinheit und die Anzeige
 werden mit einem 6-poligen Diodenkabel verbunden, auf der Messteilseite ist ein
 DIN-Stecker und Print-Buchse vorgesehen. 
 
 
Beim erstmaligen Einschalten wird man zum abgleichen der Spannung aufgefordert,
 falls die Genauigkeit der 3 Spannungsteiler Widerstände (1%) nicht reicht.
 Dazu wird der Taster so oft gedrückt, bis die IST-Spannung eines Multimeters mit
 der Soll-Anzeige übereinstimmt. Die IST-Spannung im LCD-Display entspricht hierbei die vom uC durch den
 Spannungsteiler ermittelte Spannung. Dieser Vorgang sollte ohne Last und bei 
13,8V erfolgen,
 somit dann auch kein Zutun des Anwenders erforderlich ist.
 Ist der SOLL-Spannungswert eingestellt, wird dieser nach 10s übernommen und im
 EEPROM abgespeichert.  Möchte man diesen Vorgang wiederholen, reicht es, den Taster
 beim Einschalten gedrückt zu halten, bis ein entsprechender Hinweis im LCD erscheint. 
 Als zweiter Abgleich muss der Operationsverstärker für den Strommessverstärker symmetrisiert werden, hierzu
 wir der Strom mit einem Multimeter kontrolliert und mit PT2 korrigiert. 
 Mit PT1 wird noch der Kontrast des LCD Displays eingestellt, weitere Abgleicharbeiten sind nicht mehr
 erforderlich. 
 
 
Der Aufbau erfolgt bis ein paar Ausnahmen ohne SMD Bauteile, diese sind aber einfach
 zu verlöten. Die ICs werden mit IC-Fassungen gesockelt, hierzu sollten nur
 Präzisionsfassungen verwendet werden. Das teuerste Bauteil ist der Strom-Shunt,
 dessen Widerstandswert sehr klein gewählt wurde, um den Spannungsabfall so gering wie möglich zu halten.
 Daher kam ein Shut mit 1mOhm und separaten Spannungsfühlern zum Einsatz.
 Um die Masse nicht durch den Shunt zu verfälschen, wurde dieser auf der positiven Seite
 untergebracht, weiteres siehe auch Schaltplan und Layout im PDF. 
 Die Relais sind für ein 25A Standard Netzteil ausgelegt. Auf den Leiterbahnen unter den Relais
 müssen noch 2x 1,5mm
2 Kupferdraht bzw. Litze aufgelötet werden, um den Spannungsabfall gering zu
 halten. (Wärmeentwicklung bei Dauerlast)
 Wer mehr Strom benötigt und die Sicherheitsabschaltung bei Überspannung nutzen möchte, sollte
 externe Relais mit ausreichender Stromfestigkeit verwenden. Der hier vorgestellte Aufbau geht
 wie schon erwähnt von einem Standard 25A NT aus.
 
 
Im normalen Betrieb werden die Messgrößen U, I, Is und P angezeigt.
 Der Spitzenstrom wird rechts oben angezeigt, aus Platzgründen ohne Maßeinheit.
 Der Wert wird ständig nach oben korrigiert, bis kein Messwert größer ist als
 der zuvor gemessene, dieser wird dann für ca. 2sec angezeigt et cetera 
 Der Taster ermöglicht das dimmen der LCD-Beleuchtung in 10 Schritten. Ein min. 400ms langes drücken
 schaltet zwischen der Power-Peak-Balken Anzeige und der elektrischen Arbeit um, da das 2x16 LCD Modul
 nicht ausreichend Platz für alle Information bieten kann. Während des gedrückt halten wird noch
 die aktuelle Laufzeit des Netzteiles in Stunden, nach einer Woche in Tagen anzeigt.
 Somit ist ein direkter Bezug der elek. Arbeit und die dazu verstreichende Zeit/Tage möglich. 
 
NEU: Für Akku-Betrieb wurde noch die Kapazitätsmessung in Ah
hinzugefügt. 
Ist JP2 offen, bleibt die Standard-NT Funktion aktiv, so wie auch die Spannungsüberwachung und Zwangsabschaltung. 
JP2 geschlossen bewirkt die Ah Anzeige anstatt dem Spitzenstrom und die Überspannungsüberwachung ist deaktiviert.
Eine nun aktivierte Unterspannungsüberwachung schütz den Akku vor Tiefenentladung und schaltet die Last bei unter 10,8V ab.
Das Power-Meter sollte aber nicht zu lange angeschlossen sein, da es weiterhin aktiv ist und den Akku mit ca 80mA entlädt. 
Der Bargraph oder die elek. Arbeit ist auch hier weiterhin mit dem Taster wählbar. 
Der Jumper JP2 kann auch während des Betriebes betätigt werden, da die Ah im Hintergrund weiterhin ermittelt werden.
Ein Kippschalter im Gehäuse wäre auch denkbar, falls die Funktionen öfter gewechselt werden sollen.
 
 
Sind alle Verbraucher ausgeschaltet, bzw deren Stromaufnahme unter 200mA, schaltet der Mikrokontroller
 auf Power-Save um, zeigt diesen an und schaltet die Beleuchtung ab. Dies ist ein Vorteil, wenn
 zwar alle Geräte ausgeschaltet werden, dass Netzteil jedoch nicht. Auch werden weiterhin die Messwerte
 U, I, I
s und W angezeigt. 
 
 
Durch den großen Strommessbereich von 0-50A ergibt sich eine Auflösung von 50mA/Digit, da der
 A/D Wandler max. 10bit auflösen kann. Hinzukommt noch ein Fehler von +/- 1-2 Digit, bedingt durch das
 AD-Wandler Quantisierungsrauschen. Bei einer Stromaufnahme von 10A hat sich ein
 Fehler von 1% eingestellt. 
 Der Spannungsmessbereich ist da etwas besser, hier wird eine Auflösung von 20mV/Digit erreicht.
 Die genannten Messfehler sind aber als Betriebsmessgerätvöllig in Ordnung und stehen
 im guten Verhältnis Kosten/Aufwand und zur 
Messgenauigkeit. 
 
 
Ich habe wieder Schaltplan, Layout, Bestückungsplan und die Reichelt-Bestellliste als Archiv
 bereitgestellt. Der Aufbau sollte selbsterklärend sein, sonst einfach Fragen. 
 Ein fertig gebrannter Mikrokontroller oder die Firmware kann von mir bezogen werden (SKP).
Hier wieder ein paar Bilder (anklicken):
 
  
 |  | Die fertige aufgebaute Schaltung ohne Gehäuse, rechts oben der 1 mOhm Shunt
 | 
 |  | Messteil im geöffneten Gehäuse mit Shunt und Bedrahtung | 
 |  | Messteil im Gehäuse und Zuleitung/Stecker | 
 |  | Anzeige mit Belastung und Beleuchtung 100%, unten der Power-Peak-Balken | 
  | Anzeige mit Belastung und elek. Arbeit in kWh | 
 |  | Anzeige ohne Last und Beleuchtung Aus, oben rechts der Taster,
 50mA ist der Eigenbedarf
 | 
 |  | Der gesamte Schaltplan, rechts oben der Anzeigenteil, der Rest die Messeinheit
 | 
 |  | Als alternative, die SMD Version zum Einbau in das Netzteil - Oberseite
 | 
 |  | und die Unterseite mit den SMD Bauteilen | 
 
 
 - Der komplette Aufbau zum Download => dc-power-display_v150a.pdf NEU 
 - Der komplette Aufbau zum Download => 
dc-power-display_v120b.pdf ALT 
 
 - Der Messteil als 
SMD-Version zum Festeinbau. 
 - Kleines 
Video von der Bargraph-Anzeige bei SSB-Modulation 100W auf 
   80m zur Demonstration. (4,7MB) 
 
 - 
Wichtige  Hinweise zum FET BS250 Q1:  
dc-power-meter_info_bs250.pdf !!!!
 
 - Die Firmware ist im Format HEX und BIN für beide Platinen mit der 
   Version 
1.50a (History)
 fertig gestellt und kann per 
eMail angefordert werden 
   sowie auch fertig gebrannte Mikrocontroller zum SKP.